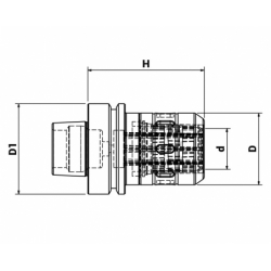
66EFS116

HSK 63/E FORTE SERRAGGIO ¯16 H90

Mandrino a Forte Serraggio

Data sheet

Taper
HSK63/E
Typology
FS - Power chuck
H
90
D
16
D1
47
L
60
Balancing
G6.3 12000
Weight (Kg)
1