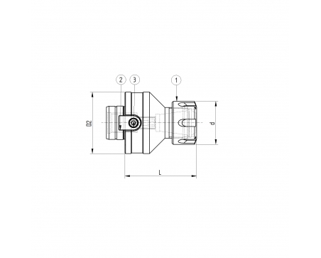
SUPPLIED COMPONENTS AND ACCESSORIES

Position
Code
Description
Needs
  • 1
  • 932GHREQ
  • GHIERA ER32 BILANCIATA STANDARD
  • 1
  • 2
  • 940TSL06
  • TASSELLO 16X14X25
  • 1
  • 3
  • 110601201
  • VITE 8.8 TCEI M6X12 BRUN. UNI5931 ISO4762
  • 1
Direct purchase spare parts +

VL6PP120

MODULAR HOLDER D63 COLLET CHUCK ER32 H-77

Collet Chuck Modular Adaptor - Accessories included

Data sheet

Typology
PP - Collet Chucks
DIN ISO
DIN6499
D
50
d
50
D2
63
L
77
Weight (Kg)
1.03