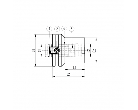
SUPPLIED COMPONENTS AND ACCESSORIES

Position
Code
Description
Needs
  • 1
  • 112005011
  • VITE M20X2X50 VARILOCK 63/80 CH10
  • 1
  • 2
  • 123002408
  • GHIERA PER SERRAGGIO VARILOCK 63/80 M30X1,5SX
  • 1
  • 3
  • 110601601
  • VITE 8.8 TCEI M6X16 BRUN. UNI5931 ISO4762 A0502005
  • 1
  • 4
  • 940TSL01
  • TASSELLO 16X16X25
  • 1
Direct purchase spare parts +

VL8RD163

MODULAR HOLDER D80 ADAPTER D.63 H-80

Reduction Adapter - Accessories included

Data sheet

Typology
RD - Adaptors
D1
32
D2
32
L1
49
L2
80
Weight (Kg)
4.24