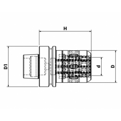
66EFS132

HSK 63/E FORTE SERRAGGIO ¯32 H90

Mandrino a Forte Serraggio

Scheda tecnica

Attacco
HSK63/E
Tipologia
FS - Forte Serraggio
H
90
D
32
D1
47
L
60
Bilanciatura
G6.3 12000
Peso (Kg)
1